アルテラFLEX10K30Eの開発ページ
FLEX TEST BOARDの製作
MAXの使い方がなんとなくわかってきたところで、FLEXのテスト、評価用ボードを製作しましょう。

製作したテストボード、けっこう楽しめます^^;
| 仕様 | |
|
クロック
|
マニュアルクロック(押すと1発クロックがでます)、2Hz、4Hz、10Hz、20Hz、2Khz、31.25khz、12.288Mhzの8種類
|
| SW | プッシュSW4個、ディップSW8個 |
| 表示 | LED8個、スタティック点灯用7SEG1個(左下)、ダイナミック点灯用右上4個、LED含めてアノードコモン(0で点灯) |
| 電源 | 低ドロップ型、3Aまで取れるLM1085(手持ちであったから) |
画像をクリックするとオリジナルの大きさで表示します。
まずは回路図から書きます、廻に書いてある数字は裏からみたピン番号です
さすがに144ピンもあるのでこの絵がないととても配線するのは大変です 。
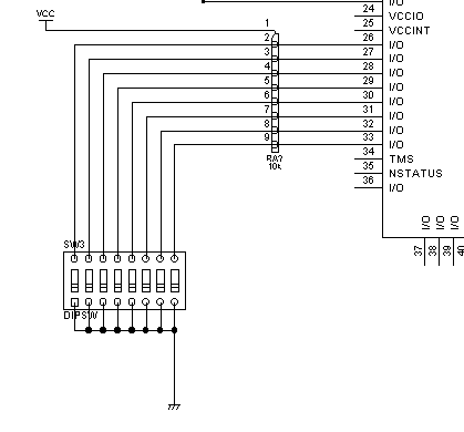
次にSW入力から製作します

とりあえずDIPSWから、BIT0からBIT7まで33番ピンから26番ピンまでで配線しました。
一応プルアップ済みですが多分アルテラの機能で内部プルアップできると思います(スキルなし^^;)

同じようにPUSHSWも46〜49番ピンまで配線します、なぜ4個かは手持ちがなかったからです。

次にお約束通りLEDを8個並べて130〜138番ピンに配線です、これでナイトライダーも出来ます^^;

スタティック表示用の7SEGのLEDを配線します。表示のON、OFFができるようJPポストも付けておきます。

ダイナミック表示用のLEDを配線します。各コモン側に適当なTRを付けてドライブします(1でON)、でデバイス側には下記のように・・・
配線します。
次にクロックですが、このボードには始めから12.288Mhzのクロック55番ピンに供給されています。
横に書いてあるのは、分周した時の周期と時間です。
しかし上のクロックを使うと何をするのもまず分周から始めなければなりません。
目で動きを追えるようにするにはかなり分周をしなくてはならないので・・・

トランジスタ技術2001/08月号p283の記事を参考にPICによるクロック回路を接続しました。
詳しく知りたい方はバックナンバを調べるかメールにてお願いします。
以上でテストボードの完成です、さらにシリアルポート、パラレルポート、マイコンなどを取り付けようと思いますが
まずはこれくらいでテストしてみます。
もちろん基板に電源を供給する(5V単電源)のをわすれずに・・。